Produktdatabase
Vinduer
  • KRONE Energy
  • KRONE Flex
  • KRONE Coto62
  • KRONE Wood
  • KRONE View
  • KRONE Fire
Døre
  • KRONE Energy
  • KRONE Flex
  • KRONE Coto62
  • KRONE Wood
  • KRONE View
  • KRONE Fire
  • KRONE Entry
  • KRONE Skydedør
Download
  • System-snittegninger
  • Greb & tilbehør
  • BIM objekter
  • Indbygningstegninger
  • Montage- og Brugervejledninger
  • Ydeevnedeklarationer (DoP)
  • DGNB-dokumentation
  • Produktspecifikke EPD'er
Info-center
Login (For medarbejdere)
Produkt database
Gå til KRONE VINDUER A/S
  • Krone Produktdatabase
  • Download
  • System-snittegninger
  • KRONE View vinduer
  • Download

KRONE View vinduer

Oversigt over snittegninger af KRONE View

Her finder du snittegninger for KRONE View.
Tegningerne kan downloades som DWG- eller PDF-filer og er frit tilgængelige ved projektering med KRONE vinduer.
Krone View – Karm, kip/dreje indadgående vinduesramme, 30 mm, overkarm
L1
Krone View – Vandret post, fast glas/vindue, indadgående kip/dreje ramme
L2
Krone View – Bundkarm, fast karm
L3
Krone View – Vandret post, indadgående vinduesramme/vinduesramme
L4
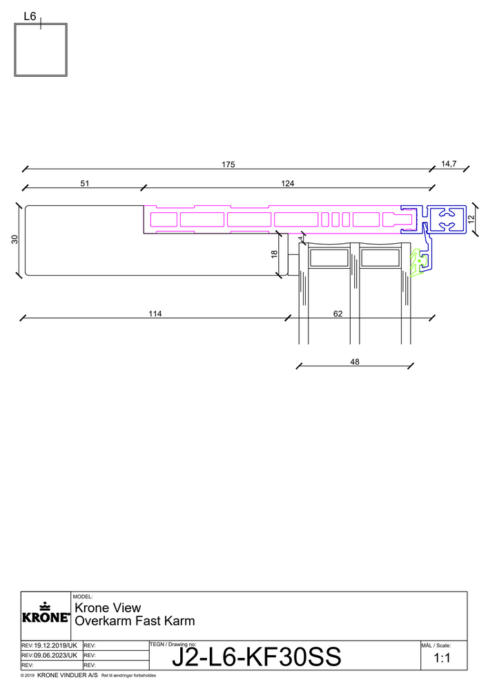
Krone View – Overkarm, fast karm
L6
Krone View – Vandret post, fast karm
L7
Krone View – Karm, kip/dreje indadgående vinduesramme, 30 mm, bundkarm
L9
Krone View – Karm, kip/dreje indadgående vinduesramme, 30 mm
V1
Krone View – Sidekarm, fast karm
V6